Index plunger without locking slot
SKU: VM78LP7
Grip in polyamid, fiberglass-reinforced. Steel version : plunger in steel 5.8, black oxide finish. Locking pin hardened and ground. Stainless steel version : plunger in stainless steel 1.4305 and locking pin in hardened stainless steel 1.4034 ground. Resistance to shearing : 1021N (M10x1,0) 1470N (M12x1,5) 2614N (M16x1,5) 2810N (M20x1,5).
Ürün Özellikleri
Sertifikalar
REACHRoHS
Teknik Çizimler
Technical Specifications

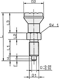
Schema - 01 / Without locknut

Schema - 02 / With locknut
Varyantlar
01 / 01 / Without locknut
REF | DESIGNATION | D (MM) | D1 (MM) | D2 (MM) | H (MM) | L (MM) | L1 (MM) | L2 (MM) | L3 (MM) | FX30 (MM) | SW1 (MM) | WGT (MM) | 3D | Quote |
|---|---|---|---|---|---|---|---|---|---|---|---|---|---|---|
| 8430 | INDEX PLUNGER STEEL D.21 M10*1 | 5 | 10 | 21 | 5 | 47 | 17 | 7 | 18 | 1,3 | 13 | 30 | ||
| 8431 | INDEX PLUNGER STEEL D.25 M12*1,5 | 6 | 12 | 25 | 6 | 56 | 20 | 8 | 22 | 1,8 | 14 | 45 | ||
| 8432 | INDEX PLUNGER STEEL D.33 M16*1,5 | 8 | 16 | 33 | 8 | 74 | 26 | 10 | 30 | 2,3 | 19 | 95 | ||
| 8433 | INDEX PLUNGER STEEL D.33 M20*1,5 | 10 | 20 | 33 | 10 | 80 | 28 | 12 | 30 | 2,8 | 22 | 165 | ||
| 8430i | INDEX PLUNGER STAINL. D.21 M10*1 | 5 | 10 | 21 | 5 | 47 | 17 | 7 | 18 | 1,3 | 13 | 30 | ||
| 8431i | INDEX PLUNGER STAINL. D.25 M12*1,5 | 6 | 12 | 25 | 6 | 56 | 20 | 8 | 22 | 1,8 | 14 | 45 | ||
| 8432i | INDEX PLUNGER STAINL. D.33 M16*1,5 | 8 | 16 | 33 | 8 | 74 | 26 | 10 | 30 | 2,3 | 19 | 95 | ||
| 8433i | INDEX PLUNGER STAINL. D.33 M20*1,5 | 10 | 20 | 33 | 10 | 80 | 28 | 12 | 30 | 2,8 | 22 | 165 |
8 varyant gösteriliyor
Bu Ürün İlginizi Çekti mi?
Detaylı bilgi ve fiyat teklifi için bizimle iletişime geçin

